current Casa > Prodotto > Cerniere >Cerniere CL225-2-Y

Cerniere CL225-2-Y
Shengjiu Group

Cerniere CL225-2-Y

Descrizione del prodotto

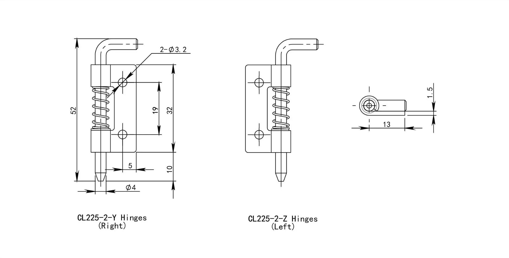
Tipo di cerniera: Cerniera nascosta, Sinistra e destra Non universale


Specificazione

Materiale: Cerniera e albero in acciaio al carbonio, molla in acciaio inossidabile

Superficie: Zincata bianca trivalente 48


Parametro di prestazione:

Carico statico radiale massimo: 100 N

Carico statico assiale massimo: 130 N


Parametri tecnici


Informazioni sul disegno


Application solution
    Nessun dato
Consiglia informazioni
Prodotti consigliati
Consulenza sui prodotti
politica sulla riservatezza
×

politica sulla riservatezza

Aggiornamento dati in corso......









+0086-574-87845333
info@shengjiu.com
Sengjiu Road No 1, Dayin Town, Yuyao City, provincia di ZheJiang, Cina 315423